表面处理
专业设备卖场
模具
达克罗涂覆
螺栓
铆钉
垫圈,挡圈
螺母
展会信息

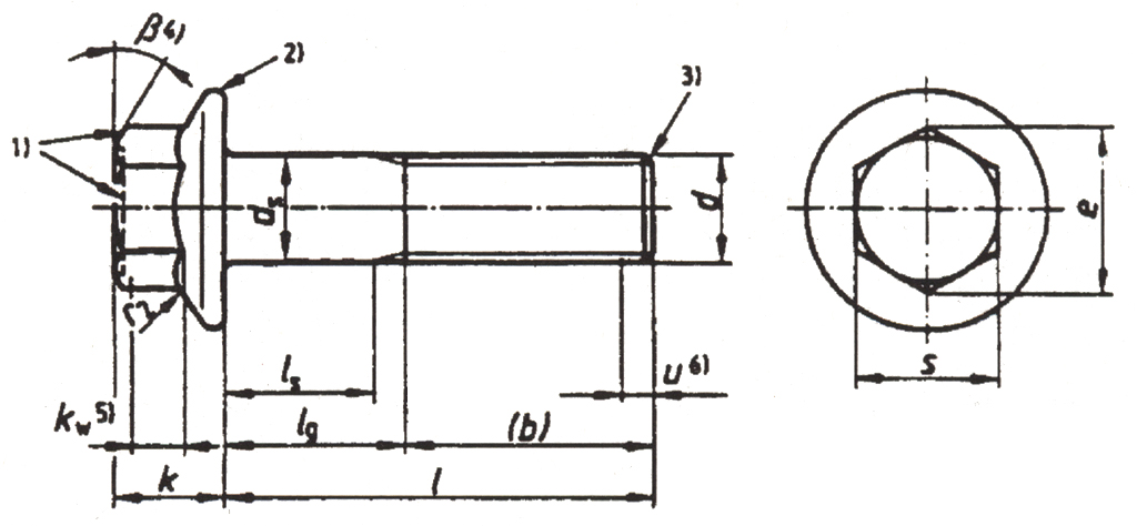
DIN EN 1662

六角法兰面螺栓—小系列(ISO/DIS 15071:1996,修订版)

Hexagon bolts with flange - Small series (ISO/DIS 15071:1996,modified)
产品相关供货商

告诉我在“金蜘蛛”看到,将给您优惠

浙江五矿汇通进出口有限公司
人气24年
人气24年
紧固件品种多、规格全,可根据市场需要按德制、美制、日制、英制等标准进行生产供货。主要品种有:六角帽、四方帽、六角螺栓、马车螺栓、瓦楞螺栓、平垫圈、弹簧垫圈、机螺钉、自攻螺钉等。...
地区:杭州 电话: 0571-85775785,8577579...
江西专金精密制造有限公司
人气10年
人气10年
GB/T117-圆锥销 GB/T118-内螺纹圆锥销 GB/T119-圆柱销 GB/T120-内螺纹圆柱销 GB/T877-开尾锥销 GB/T880-带孔销 GB/T881-螺尾锥销 竞...
地区:上饶 电话: 18179379110
太仓金程辉机械有限公司
人气15年
人气15年
公司主要产品:进口钨钢螺丝冲棒,不锈钢铆钉专用钢与钨钢焊接镀钛冲棒。有四角,六角,八角,梅花等异形冲头、顶针、衬套、粉末成型、IC封装模具、钨钢刀具、钨钢合金塞规、钨钢高精密圆棒等(钨钢模具)机械零部...
地区:苏州 电话: 18651126906 0512-532...
七丰精工科技股份有限公司
人气21年
人气21年
铁路系列:轨道螺栓,方头客运道钉,美国道钉 非标件:方头螺栓,U型螺栓,弹簧螺栓,方头或六角头绞牙钉,勾头伞牙钉 冲压件:管夹,管子勾 标准件:圆头棱颈螺栓(ANSI/ASME B18.5 1...
地区:嘉兴 电话: 0573-86851456
济南实达紧固件有限公司
人气22年
人气22年
公司主要生产经营紧固件系列产品,产品类型主要有铁路用鱼尾螺栓、螺旋道钉、方头螺栓、T型螺栓、六角头螺栓、六角法兰面螺栓、半圆头方颈螺栓、半圆头椭圆颈螺栓、U型螺栓、地脚螺栓、道轨螺栓、六角头木螺...
地区:济南 电话: 0531-87881740
宁波市通纳机械科技有限公司
人气22年
人气22年
车轮螺帽及帽罩,法兰栓、法兰面螺母; 外六角头螺栓、螺丝类; 内六角圆柱头螺钉、自攻钉、六角螺母、锚固螺栓类及大规格、超长度、异型件、特殊材料等花色紧固件类。 德制DIN、英制BS、美制AN...
地区:宁波 电话: 0574-88915038/0574-88...
北京鑫天云紧固件有限公司
人气22年
人气22年
专业紧固件生产基地;各种材质的标准及非标紧固件。螺栓 螺柱 螺母 螺钉 垫圈 木螺钉 自攻钉 销 铆钉 挡圈 焊钉 钢丝螺套; 六角法兰螺栓及螺母、圆头内六、平头内六角、钢结构用大六角及扭剪系列、尼龙...
地区:北京 电话: 010-13901189990 1390...
大洋紧固件有限公司
人气17年
人气17年
六角螺栓 六角头螺丝 六角螺母 马车螺栓 六角木螺丝 螺栓 牙条 冲压六角螺母 平垫圈及锁紧弹簧垫片 ...
地区:宁波 电话: 0574-89020185 890201...
上海淳力紧固件有限公司
人气17年
人气17年
本公司专业制造现货主营:(M6-M64规格长度到500全牙缩梗均有现货)8.8级、10.9级、12.9级高强度螺栓螺母、内六角螺栓、双头螺栓、地脚栓、德标、美制、来电来图订做各种材质异型件非标件产品 ...
地区:邯郸 电话: 0310-5133686,6894851,...
永年县天邦紧固件有限公司
人气17年
人气17年
螺栓,螺母,平垫,弹垫,牙条,地脚,预埋件,车修,膨胀类产品
地区:永年 电话: 186-31091188
业务联系/技术支持
公司名称:广东金蜘蛛电脑网络有限公司
联系电话:020-38861363 38861343
电子邮箱:info@jzzfastener.com
QQ:1767548327
公众号:
视频号:
抖音号:
法律声明: 本网站中的厂商资料,供货、需求、合作、企业新闻等信息由本网站的注册会员发布,其合法性和真实性由各个发布信息的注册会员负责。
经营许可证编号:粤B2-20210752号丨备案号:粤ICP备09029740号
粤公网安备 44011102001662号
技术支持:广东金蜘蛛电脑网络有限公司
Golden Spider Network Co., Ltd.