专业设备卖场
表面处理
模具
达克罗涂覆
铆钉
螺母
螺栓
垫圈,挡圈
展会信息

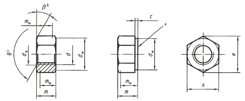
DIN EN ISO 4033

2型六角螺母—产品等级A和B级(ISO: 4033:1999)

Hexagon nuts,style 2-Product grades A and B(ISO: 4033:1999)
产品相关供货商

告诉我在“金蜘蛛”看到,将给您优惠

浙江五矿汇通进出口有限公司
人气25年
人气25年
紧固件品种多、规格全,可根据市场需要按德制、美制、日制、英制等标准进行生产供货。主要品种有:六角帽、四方帽、六角螺栓、马车螺栓、瓦楞螺栓、平垫圈、弹簧垫圈、机螺钉、自攻螺钉等。...
地区:杭州 电话: 0571-85775785,8577579...
海盐华宇汽车零部件有限公司(原海盐群星螺帽有限公司)
人气19年
人气19年
可生产M3—M30各种规格的螺帽。中国GB52标准,GB6170高强度螺母,镀锌螺母,发黑螺母,法兰螺母,焊接螺母,铜螺母,汽标螺母,国际ISO标准,德国DIN标准,美国ANSI标准,英国BS标准,意...
地区:海盐 电话: 0573-86815261 ,868152...
上海劲烁实业有限公司
人气13年
人气13年
公司专业经营DIN、BS、ANSI、JIS等标准紧固件及异型紧固件。产品范围:各种螺栓、螺钉、螺母、垫圈、纤维板螺钉、干壁钉、家具螺丝、自钻自攻钉、木螺钉、自攻螺钉等。产品材料:碳钢、合金钢、不锈钢等...
地区:上海 电话: 021-57733852
宁波中海紧固件制造有限公司
人气19年
人气19年
生产高强度螺栓及各种六角螺母、法兰螺母、锁紧螺母以及国标(GB)、美标(ANSI)、德制(DIN)、英制(BS)、日制(JIS)、化工等标准紧固件,规格M20以上,也可根据顾客要求制作非标紧固件以及G...
地区:宁波 电话: 18958302519,137574159...
温州市金盛紧固件有限公司
人气21年
人气21年
尼龙防松自锁螺母、英美制防松螺母、法兰面尼龙防松螺母(DIN985, DIN982,NE,NTE,DIN6926,DIN6927)、蝶形螺母、翼形螺母(DIN315,DIN314)、法兰螺母、防滑螺母...
地区:温州 电话: 0577-86352209
北京鑫天云紧固件有限公司
人气23年
人气23年
专业紧固件生产基地;各种材质的标准及非标紧固件。螺栓 螺柱 螺母 螺钉 垫圈 木螺钉 自攻钉 销 铆钉 挡圈 焊钉 钢丝螺套; 六角法兰螺栓及螺母、圆头内六、平头内六角、钢结构用大六角及扭剪系列、尼龙...
地区:北京 电话: 010-13901189990 1390...
临海市金鑫汽车配件有限公司
人气22年
人气22年
产品范围: 各种螺栓、螺钉、高强度螺栓、内六角螺栓、双头螺栓、六角螺母、六角法兰螺母、平垫圈、铜垫片、弹性垫圈、木螺钉、螺纹杆、轮胎螺帽、轮胎螺栓等。 标准有德制DIN、英制BS、美制AN...
地区:台州 电话: 0576-85528228/1366686...
广州盛凌英贸易有限公司
人气22年
人气22年
纤维板钉, 干壁钉,自攻钉,机螺钉, ,牙条,螺母,
地区:嘉兴 电话: 020-87694686
大洋紧固件有限公司
人气18年
人气18年
六角螺栓 六角头螺丝 六角螺母 马车螺栓 六角木螺丝 螺栓 牙条 冲压六角螺母 平垫圈及锁紧弹簧垫片 ...
地区:宁波 电话: 0574-89020185 890201...
永年县天邦紧固件有限公司
人气18年
人气18年
螺栓,螺母,平垫,弹垫,牙条,地脚,预埋件,车修,膨胀类产品
地区:永年 电话: 186-31091188
业务联系/技术支持
公司名称:广东金蜘蛛电脑网络有限公司
联系电话:020-38861363 38861343
电子邮箱:info@jzzfastener.com
QQ:1767548327
公众号:
视频号:
抖音号:
法律声明: 本网站中的厂商资料,供货、需求、合作、企业新闻等信息由本网站的注册会员发布,其合法性和真实性由各个发布信息的注册会员负责。
经营许可证编号:粤B2-20210752号丨备案号:粤ICP备09029740号-21
粤公网安备 44011102001662号
技术支持:广东金蜘蛛电脑网络有限公司
Golden Spider Network Co., Ltd.