表面处理
专业设备卖场
紧固件
海外社媒推广
达克罗涂覆

急寻汽车座椅紧固件

采购信息
发布时间: 2026-03-21
点击: 231
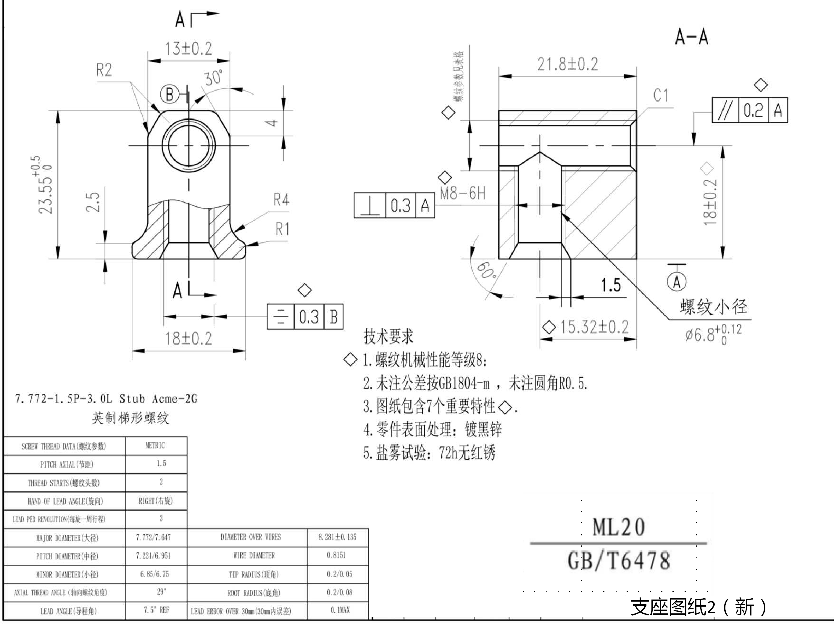
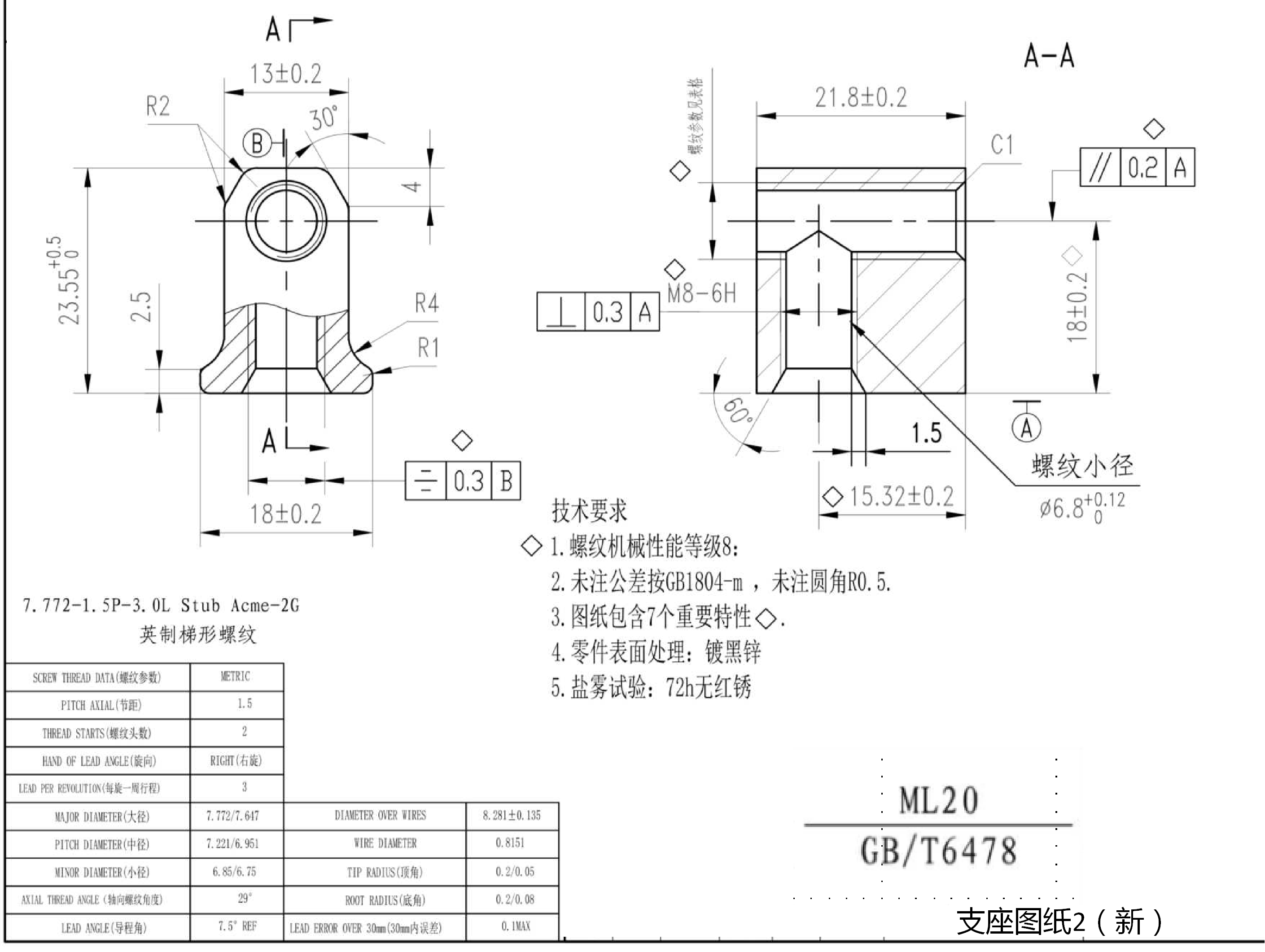
具体见图,每月10万只,有意者请+v18921291257


本条信息来自“紧固件采购器”微信小程序
更多采购信息可以扫码访问小程序
联系方式

查看采购联系信息请先登录

还没有账号可进行免费注册

业务联系/技术支持
公司名称:广东金蜘蛛电脑网络有限公司
联系电话:020-38861363 38861343
电子邮箱:info@jzzfastener.com
QQ:1767548327
公众号:
视频号:
抖音号:
法律声明: 本网站中的厂商资料,供货、需求、合作、企业新闻等信息由本网站的注册会员发布,其合法性和真实性由各个发布信息的注册会员负责。
经营许可证编号:粤B2-20210752号丨备案号:粤ICP备09029740号-21
粤公网安备 44011102001662号
技术支持:广东金蜘蛛电脑网络有限公司
Golden Spider Network Co., Ltd.